Product Summary
The TEN30-4831WIN is a DC/DC Converter. Standard features of the TEN30-4831WIN include remote On/Off, output voltage trimming, over voltage protection, under voltage lockout, over temperature and short circuit protection.Typical applications of the TEN30-4831WIN for these products are battery operated equipment and distributed power architectures in communication and industrial electronics, everywhere where isolated, tightly regulated voltages are required and space is limited on the PCB.
Parametrics
TEN30-4831WIN absolute maximum ratings: (1)Isolation capacity – Input / Output: 1500 pF max.; (2)Start up time (nominal Vin and constant resistive load): 30 ms typ.; (3)Switching frequency (pulse width modulation PWM) single: 430 kHz typ.; (4)Isolation voltage (60 sec) – Input / Output: 1500 VDC.
Features
TEN30-4831WIN features: (1)Smallest encapsulated 30 W converter; (2)2 x 1 x 0.4 shielded metal package; (3)Ultra wide 4:1 input voltage range; (4)Single- dual- and triple output models; (5)Very high efficiency up to 91%; (6)Operating temp. range –40 °C to +75 °C; (7)I/O isolation 1500 VDC; (8)Over temperature and short circuit protection; (9)Remote On/Off; (10)Adjustable output voltage; (11)3-year product warranty.
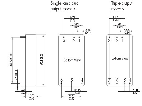
Diagrams

![]()  | 
                            ![]() TEN30-2408WI  | 
                            ![]() Other  | 
                            ![]()  | 
                            ![]() Data Sheet  | 
                            ![]() Negotiable  | 
                            
                            	 | 
                      ||||
![]()  | 
                            ![]() TEN30-4808  | 
                            ![]() Other  | 
                            ![]()  | 
                            ![]() Data Sheet  | 
                            ![]() Negotiable  | 
                            
                            	 | 
                      ||||
![]()  | 
                            ![]() TEN3-0510  | 
                            ![]() Other  | 
                            ![]()  | 
                            ![]() Data Sheet  | 
                            ![]() Negotiable  | 
                            
                            	 | 
                      ||||
![]()  | 
                            ![]() TEN30WI  | 
                            ![]() Other  | 
                            ![]()  | 
                            ![]() Data Sheet  | 
                            ![]() Negotiable  | 
                            
                            	 | 
                      ||||
![]()  | 
                            ![]() TEN3-1211  | 
                            ![]() Other  | 
                            ![]()  | 
                            ![]() Data Sheet  | 
                            ![]() Negotiable  | 
                            
                            	 | 
                      ||||
 (China (Mainland)) 
                         
                        
                                    






