Product Summary
The TEN3-4821 is a DC/DC Converter. The TEN3-4821 has been designed for a wide range of applications in industrial and communication systems. High efficiency of the TEN3-4821 allows an operating temperature range of - 40℃ to +85℃. Other features of the TEN3-4821 are internal filtering according to EN 55022-A and FCC, level A. Full SMD-design guarantees a high reliability of this product.
Parametrics
TEN3-4821 absolute maximum ratings: (1)Input voltage range:36 – 72 VDC; (2)Output voltage: ± 5 VDC; (3)Output current max:± 250 mA; (4)Isolation capacity Input/Output: 65 pF typ; (5)Switching frequency: 300 kHz typ. (Pulse frequency modulation PFM).
Features
TEN3-4821 features: (1)Wide 2 : 1 Input Range; (2)High Efficiency up to 84%; (3)Full SMD-Design; (4)Short-Circuit Protection; (5)Extended Operating Temperature Range -40℃ to 85℃; (6)I/O-Isolation 1500 VDC; (7)Input Filter to meet EN 55022, Class A and FCC, Level A without external Components; (8)24-pin DIP with Industry Standard Pinout; (9)High Reliability, MTBF >1.1 Mio. h; (10)3 Year Product Warranty.
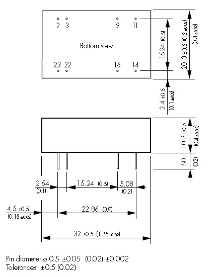
Diagrams

![]()  | 
                            ![]() TEN30-2408WI  | 
                            ![]() Other  | 
                            ![]()  | 
                            ![]() Data Sheet  | 
                            ![]() Negotiable  | 
                            
                            	 | 
                      ||||
![]()  | 
                            ![]() TEN30-4808  | 
                            ![]() Other  | 
                            ![]()  | 
                            ![]() Data Sheet  | 
                            ![]() Negotiable  | 
                            
                            	 | 
                      ||||
![]()  | 
                            ![]() TEN3-0510  | 
                            ![]() Other  | 
                            ![]()  | 
                            ![]() Data Sheet  | 
                            ![]() Negotiable  | 
                            
                            	 | 
                      ||||
![]()  | 
                            ![]() TEN30WI  | 
                            ![]() Other  | 
                            ![]()  | 
                            ![]() Data Sheet  | 
                            ![]() Negotiable  | 
                            
                            	 | 
                      ||||
![]()  | 
                            ![]() TEN3-1211  | 
                            ![]() Other  | 
                            ![]()  | 
                            ![]() Data Sheet  | 
                            ![]() Negotiable  | 
                            
                            	 | 
                      ||||
 (China (Mainland)) 
                         
                        
                                    






