Product Summary
The TEN30-4821 is a DC/DC Converter. The TEN30-4821 have wide 2:1 input voltage range and precisely regulated, isolated output voltages. Advanced circuit topology of the TEN30-4821 provides high efficiency up to 91% which allows an industrial operating temperature range of –40℃ to +85℃ (with derating). Further features include remote On/Off, trimmable output, under-voltage lockout and overtemperature protection. Typical applications for these converters are mobile equipment, instrumentation, distributed power architectures in communication and industrial electronics and everywhere where space on the PCB is critical.
Parametrics
TEN30-4821 absolute maximum ratings:  (1)Input voltage: 36 – 75 VDC; (2)Output voltage: ± 5 VDC; (3)Output current max.: ± 3000 mA; (4)Start up time (nominal Vin and constant resistive load): 30 ms typ.; (5)Isolation capacity – Input/Output: 1500 pF max.; (6)Isolation resistance – Input/Output (500 VDC) >1000 MOhm; (7)Switching frequency (fixed): 430 kHz typ. (puls width modulation).
Features
TEN30-4821 features: (1)Smallest encapsulated 30 W converter; (2)2 x 1 x 0.4 shielded metal package; (3)Ultra wide 4:1 input voltage range; (4)Single- dual- and triple output models; (5)Very high efficiency up to 91%; (6)Operating temp. range –40 ℃ to +75 ℃; (7)I/O isolation 1500 VDC; (8)Over temperature and short circuit protection; (9)Remote On/Off; (10)Adjustable output voltage; (11)3-year product warranty.
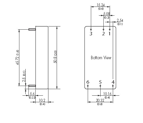
Diagrams

![]()  | 
                            ![]() TEN30-2408WI  | 
                            ![]() Other  | 
                            ![]()  | 
                            ![]() Data Sheet  | 
                            ![]() Negotiable  | 
                            
                            	 | 
                      ||||
![]()  | 
                            ![]() TEN30-4808  | 
                            ![]() Other  | 
                            ![]()  | 
                            ![]() Data Sheet  | 
                            ![]() Negotiable  | 
                            
                            	 | 
                      ||||
![]()  | 
                            ![]() TEN3-0510  | 
                            ![]() Other  | 
                            ![]()  | 
                            ![]() Data Sheet  | 
                            ![]() Negotiable  | 
                            
                            	 | 
                      ||||
![]()  | 
                            ![]() TEN30WI  | 
                            ![]() Other  | 
                            ![]()  | 
                            ![]() Data Sheet  | 
                            ![]() Negotiable  | 
                            
                            	 | 
                      ||||
![]()  | 
                            ![]() TEN3-1211  | 
                            ![]() Other  | 
                            ![]()  | 
                            ![]() Data Sheet  | 
                            ![]() Negotiable  | 
                            
                            	 | 
                      ||||
 (China (Mainland)) 
                         
                        
                                    






