Product Summary
The TEN40-4810 is a DC/DC Converter. The TEN40-4810 is a family of high performance 40W dc-dc converter modules featuring 30 standard models with wide 2:1 input voltage ranges in a compact low profile case with industry-standard footprint. A very high efficiency of the TEN40-4810 allows an operating temperature range of –40℃ to 85℃. Built-in filters for both input and output minimizes the need for external filtering. Further standard features include remote On/Off, output voltage trimming, over voltage protection, under voltage lockout and short circuit protection.Typical applications of the TEN40-4810 for these products are battery operated equipment and distributed power architectures in communication and industrial electronics, everywhere where isolated, tightly regulated voltages are required and space is limited on the PCB.
Parametrics
TEN40-4810 absolute maximum ratings: (1)Input voltage range: 18 – 36 VDC; (2)Extended Operating Temperature Range: –40℃ to +85℃; (3)Isolation capacity – Input / Output: 1000 pF max; (4)Switching frequency (fixed): 300 kHz typ. (Pulse width modulation PWM); (5)Vibration: 10-55Hz, 10G, 30 minutes along X,Y,Z.
Features
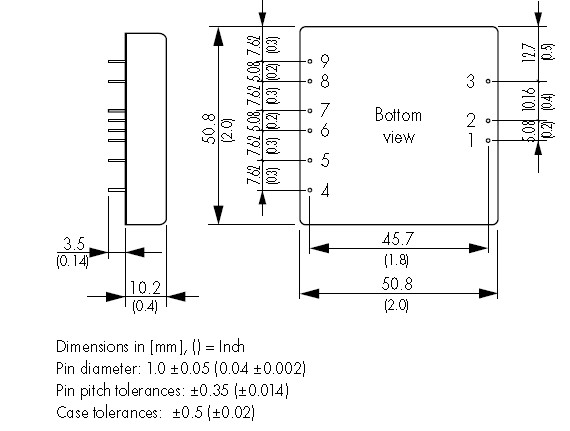
TEN40-4810 features: (1)High Power Density: 40W in a 51x51x10mm (2”x2”x0.4”) Package; (2)Wide 2:1 Input Voltage Range; (3)Models with Single-, Dual- and Triple Output; (4)Models with 2 independently regulated 3.3 and 5.0 VDC Outputs; (5)Extended Operating Temperature Range: –40℃ to +85℃; (6)Over Temperature Protection; (7)Under Voltage Lockout; (8)Remote On/Off; (9)Shielded metal Case with insulated Baseplate; (10)Optional Heatsink; (11)Lead free Design - RoHS compliant; (12)3 Years Product Warranty.
Diagrams

![]()  | 
                            ![]() TEN40-1210  | 
                            ![]() Other  | 
                            ![]()  | 
                            ![]() Data Sheet  | 
                            ![]() Negotiable  | 
                            
                            	 | 
                      ||||
![]()  | 
                            ![]() TEN40-1211  | 
                            ![]() Other  | 
                            ![]()  | 
                            ![]() Data Sheet  | 
                            ![]() Negotiable  | 
                            
                            	 | 
                      ||||
![]()  | 
                            ![]() TEN40-1212  | 
                            ![]() Other  | 
                            ![]()  | 
                            ![]() Data Sheet  | 
                            ![]() Negotiable  | 
                            
                            	 | 
                      ||||
![]()  | 
                            ![]() TEN40-1220  | 
                            ![]() Other  | 
                            ![]()  | 
                            ![]() Data Sheet  | 
                            ![]() Negotiable  | 
                            
                            	 | 
                      ||||
![]()  | 
                            ![]() TEN40-1222  | 
                            ![]() Other  | 
                            ![]()  | 
                            ![]() Data Sheet  | 
                            ![]() Negotiable  | 
                            
                            	 | 
                      ||||
![]()  | 
                            ![]() TEN40-1223  | 
                            ![]() Other  | 
                            ![]()  | 
                            ![]() Data Sheet  | 
                            ![]() Negotiable  | 
                            
                            	 | 
                      ||||
 (China (Mainland)) 
                         
                        
                                    






